更多
导航菜单
更多
Home
Company
Product
News
Download
Contact Us
全站搜索
更多
更多
smarttran
更多
更多
Software Design
Hardware Design
Sex Toy Design
Automobile Power Design
IC Sales
Instrument Sales
My Product
产品检索
更多
代烧录芯片
STMC109电流高端检测芯片
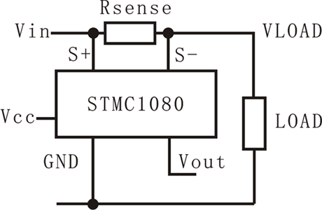
STMC1080电流高端检测芯片
共3条 每页20条 页次:1/1
首页
上一页
1
下一页
第1页
尾页
您现在的位置:
Smarttran Science Technology Ltd.
>
产品展示
>
IC Sales
更多
脚注栏目
更多
|
关于我们
|
联系方式
|
客户留言
|
资料下载
|
友情链接
|
脚注信息
更多
版权所有 Copyright(C)2009-2018 深圳市聪创微芯科技有限公司